Skip to main content

迭代升级NPC(1)

目录

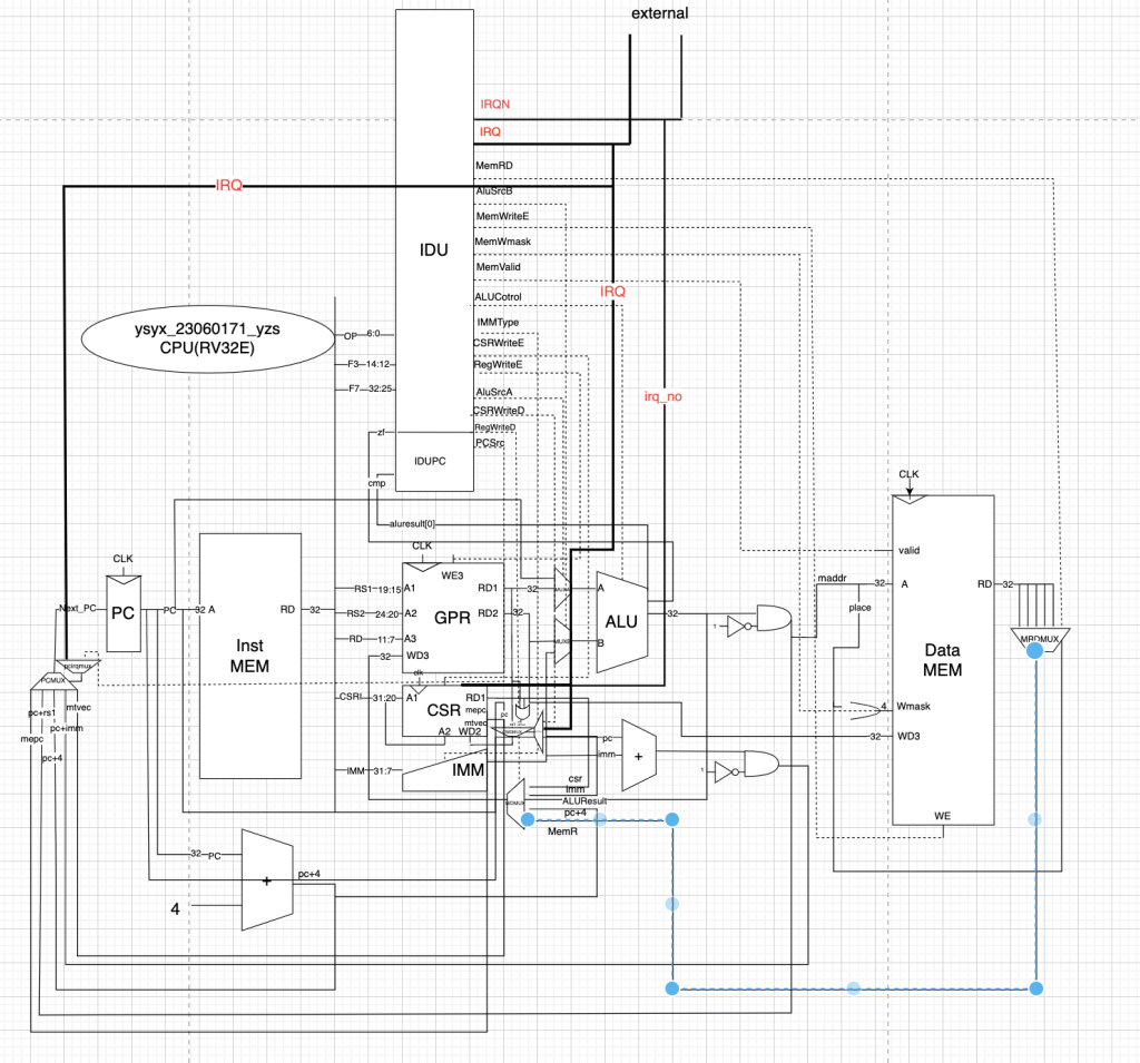
目标

将很乱的架构分为5个模块IFU,IDU,EXU,LSU,WBU,模块间的通信支持总线握手协议

可以与未分模块的NPC进行对比

可以很明显的看出模块化是如何降低系统的复杂度的

由于握手协议在单周期中很难表现出来,所以这个部分详情见我总线部分